 |
|
|
|
|
|
|
 |
| |
| |
无锡市滨湖区绣溪路58号21-610
|
|
| 总经理:董文洁 |
| 电 话:0510-85184396 |
| 手 机:013606186009
|
| 传 真:0510-85187953 |
| |
| |
|
|
|
DHB系列灰斗贴面电加热器 |
| 该电加热器由电加热体.数显温度控制仪,电源温度控制柜等几部分组成,它采用先进加热方式,优质的加热材料,精确的温度控制,具有节省能源,表面负荷均匀.加热面积大.可靠性高.使用寿命长等优点,广泛应用于除尘器灰斗壁脱水仓.空气输送料槽及埋刮板的保温加热,是目前电力除尘系统中较为理想的加热设备,还可推广应用到石油.化工.水泥.冶金.机械发热均匀.热效率高.使用寿命长等优点。DHB型简易贴面板式电加热器,采用优质镍铬丝.云母板.不锈钢板.精密加工而成,具有结构简单.绝缘性能好.安装方便等优点。 |
|
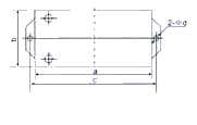
型 号 |
功率w |
电压Ⅴ |
电流A |
最高使用温度℃ |
长度mm |
a |
b |
c |
d |
DHB-300 |
300 |
220 |
1.4 |
200 |
300 |
150 |
320 |
9.5 |
DHB-400 |
400 |
220 |
1.9 |
200 |
400 |
150 |
420 |
9.5 |
DHB-500 |
500 |
220 |
2.3 |
200 |
500 |
150 |
520 |
10.5 |
DHB-600 |
600 |
220 |
2.8 |
200 |
600 |
150 |
620 |
10.5 |
|
| 单相电源温度控制柜温控装置由TCW-32A智能化精密温度控制仪.电压表.电流表.可控硅等组成,对整个系统的加热温度起控制作用,从而保护了加热器因过热而造成的烧坏现象。 |
|
|
| 三相电源温度控制柜除尘器灰斗电加热体的电源温度控制一般可分为2个灰斗一组.4个灰斗一组.6个灰斗一组.9个灰斗一组,每路10KW左右,该控制柜能分别控制每个灰斗的加热温度。 |
|
| |
| |
| |
| |
|
|